Hummm... chez moi je suis loin d'arriver à ces niveaux d'écoute, les deux premières diodes des sorties du DCX s'allument à peine, mais ma pièce est petite, environ 13m². Par contre la saturation arrive assez vite et il ne faut pas ecréter (aucun risque de casse).
Je me demande quelle puissance en Watts le DCX est capable de sortir : 0,5 W ça ferait déjà 103db/1m par compressions (x2) avec les miennes.
|
|
32 messages • Accèder à une page • 1, 2, 3
|
Modérateurs: Modération Forum Installations, Le CA de l’Association HCFR, Modération Forum DIY • Utilisateurs parcourant ce forum: Aucun utilisateur enregistré et 78 invités
Discussions générales sur le DIY Audio : choix des HP, comparaisons des principes : clos vs BR, etc
CP385Nd & 12TBX100 - Question charge pour 12TBX100
- kepa1
- Messages: 912
- Inscription Forum: 11 Jan 2004 16:56
- Localisation: Paris
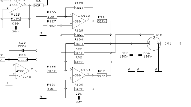
Le DCX a des résistances de 60 ohms en série avec le signal.
Tu te prends entre 2 et 3 sur la XLR de sortie?
Si on suppose un signal de +/-10v en sortie d'AOP (10v crête à crête), on doit récupérer 10*8/68 = 1.17vcac, donc 0.42Vrms sur chaque sortie avec une charge de 8 ohms. Si on se branche sur les sorties différentielles (2 et 3), on aura le double, donc 0.84vrms
Ca va donner 0.09W...
Tu te prends entre 2 et 3 sur la XLR de sortie?
Si on suppose un signal de +/-10v en sortie d'AOP (10v crête à crête), on doit récupérer 10*8/68 = 1.17vcac, donc 0.42Vrms sur chaque sortie avec une charge de 8 ohms. Si on se branche sur les sorties différentielles (2 et 3), on aura le double, donc 0.84vrms
Ca va donner 0.09W...
- Philby
- Messages: 9819
- Inscription Forum: 12 Mar 2001 2:00
- Localisation: 33
J'ai tout faux avec mes calculs on dirait 

La configuration dans mon profil
S'il n'aime pas la carotte donne lui du bâton - proverbe DIY, à utiliser à chaque fois qu'on en ressent le besoin.
- androuski
- Membre HCFR

- Messages: 23255
- Inscription Forum: 14 Mar 2007 14:43
- Localisation: C'est un trou, mais rempli de pinard, donc ça me va.
androuski a écrit:J'ai tout faux avec mes calculs on dirait
Ben, tu étais optimiste! 9.75vrms, ça donnerait 11Weff, pauvres amplis op...
- Philby
- Messages: 9819
- Inscription Forum: 12 Mar 2001 2:00
- Localisation: 33
Ca me paraissait bcp aussi...
La configuration dans mon profil
S'il n'aime pas la carotte donne lui du bâton - proverbe DIY, à utiliser à chaque fois qu'on en ressent le besoin.
- androuski
- Membre HCFR

- Messages: 23255
- Inscription Forum: 14 Mar 2007 14:43
- Localisation: C'est un trou, mais rempli de pinard, donc ça me va.
Merci pour vos calculs, y compris à Androuski (!). La puissance en sortie de DCX semble ridicule, d'autant que ça marche pas en différentiel, il faut obligatoirement raccordée le pin 1 au HP.
- kepa1
- Messages: 912
- Inscription Forum: 11 Jan 2004 16:56
- Localisation: Paris
Alors la c'est très étonnant!
- Philby
- Messages: 9819
- Inscription Forum: 12 Mar 2001 2:00
- Localisation: 33
J'ai reçu les Faital Pro LTH102, impressionnant la qualité pour le prix
, du bond gros métal, test ce WE avec les BMS CP385Nd
- speedbad
- Pro-Fabricant

- Messages: 3697
- Inscription Forum: 13 Fév 2005 5:12
- Localisation: IdF
Bon, j'ai utilisé un bout de skai découpé comme il faut :

On va voir ce que ça donne, dimanche c'est mesure.

On va voir ce que ça donne, dimanche c'est mesure.
- speedbad
- Pro-Fabricant

- Messages: 3697
- Inscription Forum: 13 Fév 2005 5:12
- Localisation: IdF
premiéres mesures, 50cm, smooth 1/12, échelle vertical : 10db :
HP non filtré :

Distorsion 12TBX100

Distorsion CP385ND + Faital LTH102

Le souffle est trés present sur la CP385Nd, du à la sensibilité j'imagine, je referais le test sur un MiniAmp
HP non filtré :

Distorsion 12TBX100

Distorsion CP385ND + Faital LTH102

Le souffle est trés present sur la CP385Nd, du à la sensibilité j'imagine, je referais le test sur un MiniAmp
- speedbad
- Pro-Fabricant

- Messages: 3697
- Inscription Forum: 13 Fév 2005 5:12
- Localisation: IdF
j'ai refait la mesure avec un XPA5, rien à voir comparé a l'ampli d'avant, étonnant :
Attention on passe à 5db en vertical et non plus 10.

Attention on passe à 5db en vertical et non plus 10.

- speedbad
- Pro-Fabricant

- Messages: 3697
- Inscription Forum: 13 Fév 2005 5:12
- Localisation: IdF
La 1ère mesure correspondait a ce que l'on peut attendre normalement.
Ta nouvelle mesure est bizarre ..
Pourquoi la THD globale est beaucoup plus élevée que la 2+3eme harmonique ?
Peux tu afficher les autres harmoniques.
D'une façon générale, la mesure de disto est très très délicate car évidemment très dépendante du niveau.
Donc pour faire des comparaisons, il faut vraiment être bien sur de sa chaine de de gain ou faire de comparaison entre 2 config sans rien changer au système de mesure. Pas simple.
Ta nouvelle mesure est bizarre ..
Pourquoi la THD globale est beaucoup plus élevée que la 2+3eme harmonique ?
Peux tu afficher les autres harmoniques.
D'une façon générale, la mesure de disto est très très délicate car évidemment très dépendante du niveau.
Donc pour faire des comparaisons, il faut vraiment être bien sur de sa chaine de de gain ou faire de comparaison entre 2 config sans rien changer au système de mesure. Pas simple.
- tcli
- Messages: 4091
- Inscription Forum: 23 Nov 2009 22:40
- Localisation: Encore plus à l'ouest qu'avant
La première mesure fut faite à un niveau sonore très élevé, j'avais des boulquies, j'ai essayé de pousser mes tweeters mais ça fait toujours la même chose, j'utilise un UMIK1, le truc c'est que REW me trouve un SPL faible malgré le fichier de calibration qui inclus la sensibilité du micro, j'ai essayé de changer la valeur mais ça n'apporte rien.
En gros mes mesure ne peuvent que se contenter de la RF, :/
En tout cas pour le moment je test ça :

le miniamp est bridgé pour les 2 compressions (2*20W@8hom), pour les woofer je sort en symétrique sur le miniDSP. Coté input, je rente en optique grâce au MiniDigi.
C'est enfantin à prendre en main.
Pour ceux qui se demande pourquoi j'ai choisi ça, c'est surtout pour le miniamp qui me permet d'alimenter les compressions pour pas grand chose et l'aspect tout en un mais en gardant de la souplesse.
Et puis il y a les sorties symétriques, utilisable même si l'on met le MiniAmp.
J'attend le DigiMod 1500 pour alimenter les woofer.
En gros mes mesure ne peuvent que se contenter de la RF, :/
En tout cas pour le moment je test ça :

le miniamp est bridgé pour les 2 compressions (2*20W@8hom), pour les woofer je sort en symétrique sur le miniDSP. Coté input, je rente en optique grâce au MiniDigi.
C'est enfantin à prendre en main.
Pour ceux qui se demande pourquoi j'ai choisi ça, c'est surtout pour le miniamp qui me permet d'alimenter les compressions pour pas grand chose et l'aspect tout en un mais en gardant de la souplesse.
Et puis il y a les sorties symétriques, utilisable même si l'on met le MiniAmp.
J'attend le DigiMod 1500 pour alimenter les woofer.
- speedbad
- Pro-Fabricant

- Messages: 3697
- Inscription Forum: 13 Fév 2005 5:12
- Localisation: IdF
Petit test de horn :
vert : Pi Speaker H290C
Bleu : SEOS 12
violet : Faital LTH 102
50cm smooth 1/12 octave, 5db en vertical.
Même niveaux, on constate que le Faital joue plus fort, la forme surement.
La question est si je peux couper en dessous de 1Khz en 48db et avec quel horn, en jouant de l'EQ

vert : Pi Speaker H290C
Bleu : SEOS 12
violet : Faital LTH 102
50cm smooth 1/12 octave, 5db en vertical.
Même niveaux, on constate que le Faital joue plus fort, la forme surement.
La question est si je peux couper en dessous de 1Khz en 48db et avec quel horn, en jouant de l'EQ

- speedbad
- Pro-Fabricant

- Messages: 3697
- Inscription Forum: 13 Fév 2005 5:12
- Localisation: IdF
Bonsoir,
Faudrait pousser un peu plus loin les mesures (faudrait aussi dans mon cas que je finisse de mesurer ceux que j'ai à la maison
), avec la courbe de phase, les réponse polaires ...
.
Dans ce genre : http://cobrasse.free.fr/images/screensh ... ker_h290c/

Faudrait pousser un peu plus loin les mesures (faudrait aussi dans mon cas que je finisse de mesurer ceux que j'ai à la maison
), avec la courbe de phase, les réponse polaires ... Dans ce genre : http://cobrasse.free.fr/images/screensh ... ker_h290c/
- Cobrasse
- Messages: 5864
- Inscription Forum: 17 Aoû 2008 13:02
|
32 messages
• Page 2 sur 3 • 1, 2, 3
Retourner vers Discussions Générales
|


