Bonjour à tous,
toujours à la recherche d'un ampli pour alimenter mes 38, en bi-amp (suite de mon topic "Ampli dédié au grave" du forum Hi-Fi) ,
j'ai trouvé ceci sur le net :
http://users.ece.gatech.edu/~mleach/lowtim/
Le monsieur a l'air de savoir de quoi il parle, qu'en pensez-vous ?
A+
Bertrand.
|
|
10 messages • Page 1 sur 1
|
Modérateurs: Modération Forum Installations, Le CA de l’Association HCFR, Modération Forum DIY • Utilisateurs parcourant ce forum: Aucun utilisateur enregistré et 38 invités
Discussions générales sur le DIY Audio : choix des HP, comparaisons des principes : clos vs BR, etc
Ampli dédié au grave (suite)
- bstleve
- Messages: 1625
- Inscription Forum: 27 Aoû 2002 7:58
- Localisation: Sous la pluie (91)
Ah, le fameux leach amp
un prof d'elec specialise en audio qui fait un ampli, ca doit pas etre mauvais ..
Je compte le réaliser (pour driver des subs, quand j'aurai le temps et les sous
), et d'apres ce que j'ai entendu, c'est pas un des amplis les plus faciles pour débuter
un prof d'elec specialise en audio qui fait un ampli, ca doit pas etre mauvais ..
Je compte le réaliser (pour driver des subs, quand j'aurai le temps et les sous
- pask
- Messages: 38
- Inscription Forum: 16 Déc 2002 21:56
Salut, Pask,
je ne débute pas vraiment, mais le schéma est nettement plus "usine à gaz" que celui de mon 100 W cl A Maison de l'Audiophile, alors avant de me lancer (côut et temps...) je demande l'avis des spécialistes.
A+
Bertrand.
je ne débute pas vraiment, mais le schéma est nettement plus "usine à gaz" que celui de mon 100 W cl A Maison de l'Audiophile, alors avant de me lancer (côut et temps...) je demande l'avis des spécialistes.
A+
Bertrand.
- bstleve
- Messages: 1625
- Inscription Forum: 27 Aoû 2002 7:58
- Localisation: Sous la pluie (91)
Schéma leach
Bonsoir Bertrand,
Le schéma proposé semble classique (gain en boucle ouverte modéré) avec des composants classiques (c'est pas un défaut).
Avec une optique "audiophile" j'aurais tendance à proposer :
- le remplacement des bipolaires en entrée par les FET faible bruit de Toshiba,
- la suppression de l'étage tampon Q16/Q17,
- le remplacement des bipolaires en sortie par des BUZ ou 2SK1058,
- la suppression du régulateur thermique Q7,
- etc...
En bref, même s'il est probablement possible d'enlever une partie du coté "usine à gaz" du schéma, et compte tenu du nombre de protections intégrés, cet ampli est sûrement robuste tel quel.
Francis.
Le schéma proposé semble classique (gain en boucle ouverte modéré) avec des composants classiques (c'est pas un défaut).
Avec une optique "audiophile" j'aurais tendance à proposer :
- le remplacement des bipolaires en entrée par les FET faible bruit de Toshiba,
- la suppression de l'étage tampon Q16/Q17,
- le remplacement des bipolaires en sortie par des BUZ ou 2SK1058,
- la suppression du régulateur thermique Q7,
- etc...
En bref, même s'il est probablement possible d'enlever une partie du coté "usine à gaz" du schéma, et compte tenu du nombre de protections intégrés, cet ampli est sûrement robuste tel quel.
Francis.
- Francisbr
- Messages: 1260
- Inscription Forum: 20 Sep 2002 15:09
- Localisation: Lyon (69)
le shema est un grand classique du genre mais je n'aime pas les condensateurs, les contrereactions locales suivi d'une contre reaction globale.
par contre il doit etre d'une stabilité exemplaire.
Enfin voila ce montage ne m'emballe pas des masse.
Trop d'étage-
trop de condo.
trop de contre reaction (local+global)
A+
David
par contre il doit etre d'une stabilité exemplaire.
Enfin voila ce montage ne m'emballe pas des masse.
Trop d'étage-
trop de condo.
trop de contre reaction (local+global)
A+
David
- david2001
- Messages: 552
- Inscription Forum: 11 Déc 2000 2:00
- Localisation: marseille,france
Ca, pour être bourré de condos... et à vrai dire, cette double contre-réaction fréquences basses / fréquences hautes, m'a choquée aussi...
Le truc, c'est que l'ampli 100W classe A de la maison de l'audiophile, au schéma dépouillé, marchait encore moins bien sur mes actuels 38, que le 300B push-pull que j'utilise maintenant. Va savoir pourquoi ? Et les nouveaux HP ne vont pas arranger les choses (BEYMA 15LX60)
Il faut dire que la courbe d'impédance, dans la charge, monte à des sommets (60 Ohms@50 Hz).
Pour comparer, un Quad 405-2 les bouge sans problème... on entend les bruits de salle, même un Atoll IN80 s'en sort mieux !
Donc, la stabilité est peut-être le secret ?
Bertrand, en quête d'avis éclairés...
Le truc, c'est que l'ampli 100W classe A de la maison de l'audiophile, au schéma dépouillé, marchait encore moins bien sur mes actuels 38, que le 300B push-pull que j'utilise maintenant. Va savoir pourquoi ? Et les nouveaux HP ne vont pas arranger les choses (BEYMA 15LX60)
Il faut dire que la courbe d'impédance, dans la charge, monte à des sommets (60 Ohms@50 Hz).
Pour comparer, un Quad 405-2 les bouge sans problème... on entend les bruits de salle, même un Atoll IN80 s'en sort mieux !
Donc, la stabilité est peut-être le secret ?
Bertrand, en quête d'avis éclairés...
- bstleve
- Messages: 1625
- Inscription Forum: 27 Aoû 2002 7:58
- Localisation: Sous la pluie (91)
100w classe A
Bonsoir Bertrand,
Tu peux nous rappeler le schéma du 100W classe A ?
Francis.
Tu peux nous rappeler le schéma du 100W classe A ?
Francis.
- Francisbr
- Messages: 1260
- Inscription Forum: 20 Sep 2002 15:09
- Localisation: Lyon (69)
Salut Francisbr,
pour le schéma, j'ai cherché un scan sur le net sans succès.
Je vais tenter une photo numérique... dés que je, m'en serai fait prêter un.
A+
Bertrand.
pour le schéma, j'ai cherché un scan sur le net sans succès.
Je vais tenter une photo numérique... dés que je, m'en serai fait prêter un.
A+
Bertrand.
- bstleve
- Messages: 1625
- Inscription Forum: 27 Aoû 2002 7:58
- Localisation: Sous la pluie (91)
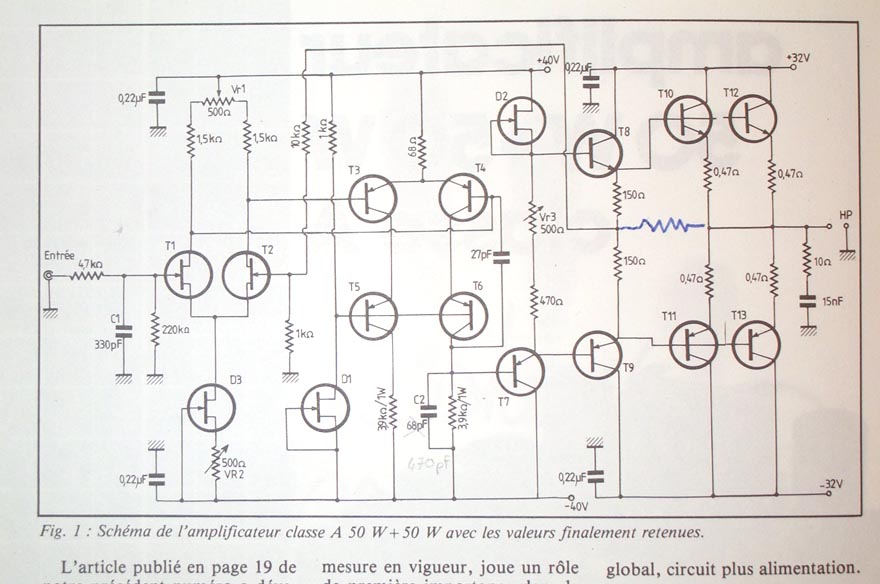
Bonjour à tous,
bon, le prêt de l'appareil fut un peu long, mais voici enfin le schéma de mon ampli, à la seule différence que le 100W utilise 4 paires de transistors de puissances, et un même tension d'alim régulée de +/-45V.
J'ai depuis diminué la tension d'alim à +/- 40V, régulée sur l'étage de tension, et passive sur l'étage de sortie (2 x 80 000µF FRS), les résistances d' émetteur des drivers à 68 Ohms, et le courant de repos vers 2A. (C'est donc un 75W).
Les effet de champ sont des 2SK30AGR, les PNP des 2SA1316 ou 2SA872E, les drivers sont "poncés...", comme les transistors de sortie...
Si l'un de vous voit ce qui peut limiter la réponse dans le bas du spectre...
A+
Bertrand.
bon, le prêt de l'appareil fut un peu long, mais voici enfin le schéma de mon ampli, à la seule différence que le 100W utilise 4 paires de transistors de puissances, et un même tension d'alim régulée de +/-45V.
J'ai depuis diminué la tension d'alim à +/- 40V, régulée sur l'étage de tension, et passive sur l'étage de sortie (2 x 80 000µF FRS), les résistances d' émetteur des drivers à 68 Ohms, et le courant de repos vers 2A. (C'est donc un 75W).
Les effet de champ sont des 2SK30AGR, les PNP des 2SA1316 ou 2SA872E, les drivers sont "poncés...", comme les transistors de sortie...
Si l'un de vous voit ce qui peut limiter la réponse dans le bas du spectre...
A+
Bertrand.
- Fichiers joints
-
- 50W_Cl_A.jpg (86.12 Kio) Vu 404 fois
- bstleve
- Messages: 1625
- Inscription Forum: 27 Aoû 2002 7:58
- Localisation: Sous la pluie (91)
Salut à tous,
alors... personne n'a une petite idée ? moi je donne ma langue au chat...
A+
Bertrand.
alors... personne n'a une petite idée ? moi je donne ma langue au chat...
A+
Bertrand.
- bstleve
- Messages: 1625
- Inscription Forum: 27 Aoû 2002 7:58
- Localisation: Sous la pluie (91)
|
10 messages
• Page 1 sur 1
Retourner vers Discussions Générales
|


