Modérateurs: Modération Forum Installations, Le CA de l’Association HCFR, Modération Forum DIY • Utilisateurs parcourant ce forum: Aucun utilisateur enregistré et 10 invités

Enceintes en kit, tweaks : modification dans le but d'améliorer une enceinte existante Ex: modif du filtrage... WIY Wire It Yourself - cable le toi-même - est le petit frère de DIY en version plus accessible au débutant.

Switch Marantz 6010 ose AIDE

Message » 02 Mar 2012 15:51

Bonjour,

Sur mon petit 6010 pas mal transformé, je viens d'en faire une. J'avais des grésillements liés au sélecteur de source. En fait celui-ci a 4 positions et se trouve en façade, mais pour éviter de balader un signal faible Marantz a déporté le switch sur une carte et c'est un petit "ruban métallique" gainé de plastic qui sert de liaison. J'ai dessoudé le switch pour le nettoyer et j'ai cassé le petit ruban métallique. La marque du sélecteur est ALPS. Sur la doc Marantz pour le ruban j'ai "S011 3120 208 40070 selFlex wire SRBU04(415mm)".
J'aimerais bien trouver la pièce complète neuve (selecteur, ruban,switch), j'ai cherché partout avec notre ami Google, et je me suis dit qu'ici peut être on pourrait m'aider ! :roll:

Une photo du bidule:Image
Dernière édition par druihle le 22 Mar 2012 11:33, édité 1 fois.
druihle
 
Messages: 868
Inscription Forum: 13 Juil 2007 1:07
Localisation: saint etienne
  • offline

Message » 04 Mar 2012 20:09

Cela devait quand même être des composants de série, j'imagine mal Marantz faire fabriquer un switch spécifique par ALPS. Le problème c'est que je ne connais pas le nom de ce type de switch "à ruban". A l’extrême limite il est sans doute possible d'adapter un switch classique ALPS ou autre à quatre positions en faisant partir les fils du switch et en les connectant aux bon pins sur le PCB. Je perds alors l'avantage de cette commande déportée qui évite de balader un signal faible sur 45 cm. Ceci dit je ne suis pas assez féru d'électronique pour voir comment cela se passe mais je suppose que, ce qui transite par le switch c'est le courant "d'attaque" d'un transistor qui libère tel ou tel circuit.....Donc aucune incidence possible sur le son de la bestiole. Sinon pour avoir démonté les micro-contacts à l'intérieur du switch, mécaniquement, c'est plutôt léger.....
Voilà le petit up du dimanche soir en attendant de pouvoir de nouveau écouter un peu de musique :wink:
druihle
 
Messages: 868
Inscription Forum: 13 Juil 2007 1:07
Localisation: saint etienne
  • offline

Message » 06 Mar 2012 13:14

Là je commence à moins rire... :oops:
Deux solutions:
- ou la bête peut être trouvée... je n'y crois guère, vous êtes déjà pas loin d'une centaine à avoir lu ces quelques lignes
- ou il faut mettre des "pins" sur le pcb, raccorder un switch 4 positions , 3 pôles je suppose via 50 cm de cable blindé

Dans tous les cas il faut déterminer exactement le type de switch à utiliser : 4 positions c'est certain, quant aux nombre de pôles, je suppose que c'est 3 puisque j'ai 12 pins sur mon bidule initial (à confirmer).
Quitte à adapter ce truc autant choisir une qualité acceptable et ne plus y revenir. Auriez-vous une référence de rapport qualité prix acceptable (max 20 euros par exemple) ?
Ensuite il faut raccorder et là, comment dire....
Quel type de cable, quel blindage...?
Bon voilà l'état de ma réflexion.... :roll:

Le schéma de la bestiole est ici pour ceux à qui cela parle un peu....(pour moi c'est au mieux un mélange d'hébreux ancien et de dialecte peul avec quelques langages vernaculaires du nord de l'Amazonie 8) )
Notice 6010 OSE
druihle
 
Messages: 868
Inscription Forum: 13 Juil 2007 1:07
Localisation: saint etienne
  • offline

Message » 08 Mar 2012 19:44

Bonjour,

Il y a quoi excatement dans ce "ruban métallique" ?

Ce n'est pas possible de juste le remplacer par quelques fils soudés directement à la place ?
DrWho90
 
Messages: 26
Inscription Forum: 08 Mar 2012 18:19
Localisation: Franche-Comté
  • offline

Message » 08 Mar 2012 21:35

Bonjour,

Le ruban métallique coulisse dans la gaine plastic et actionne mécaniquement de l'autre côté un switch à glissière. L'intérêt, c'est que le signal (faible) n'est ainsi pas baladé sur 50 cm.... :wink:
druihle
 
Messages: 868
Inscription Forum: 13 Juil 2007 1:07
Localisation: saint etienne
  • offline

Message » 09 Mar 2012 12:19

J'ai beau cherché, impossible de le trouver en pièce détaché ce fameux commutateur !
D'après le shéma, il s'agit d'un simple commutateur stéréo à 4 positions, il pourrait être remplacé par n'importe quel commutateur rotatif acheté dans un magasin de composants électroniques, mais comment être sùr que sa qualité sera correcte ???
C'est alors que je me suis dis (bon ok des fois je me parle, mais je me soigne), pourquoi ne pas le remplacer par un commuteur d'origine Marantz ?
Par exemple http://cgi.ebay.fr/Potentiometre-rotati ... 231a9bed82
Reste à voir si l'angle entre les différentes positions est identique, et si la tige accepte le bouton d'origine.
DrWho90
 
Messages: 26
Inscription Forum: 08 Mar 2012 18:19
Localisation: Franche-Comté
  • offline

Message » 11 Mar 2012 20:52

Merci pour la recherche :wink: J'ai moi même passé un certain temps, dans différentes langues, sans plus de succès. :-?
La première chose à déterminer à mon sens c'est le nombre de "poles" sachant que le switch comporte 12 pins qui s'enfichent sur le PCB et 4 positions. J'aimerai d'abord savoir ce qu'il faut chercher exactement. Un électronicien en jetant un rapide coup d’œil au lien vers le service manuel posté ci-dessus, devrait pouvoir dépatouiller cette histoire. Après il me reste à chercher un switch 4 positions X pôles qui encaisse 2ampères, c'est ce le cas de l'ALPS d'origine, avec le bon nombre de degrés entre chaque position.
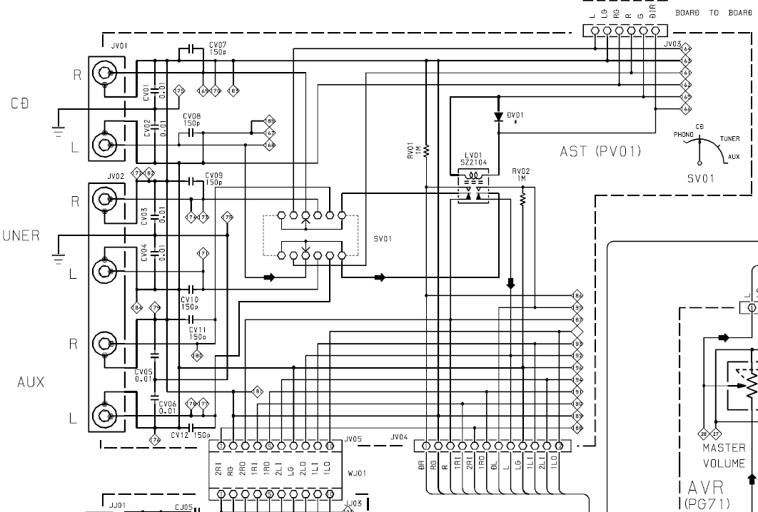
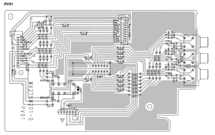
Voila une partie du schéma, si cela parle plus à certains:
Image

Image

Reste en suite le souci de transporter ce signal faible sur 50 cm....Quel type de conducteur, quel blindage, quel diamètre pour chacun des conducteurs etc... En bref sans un bon coup de main, le 6010 n'est pas près de chanter...! :oops:
druihle
 
Messages: 868
Inscription Forum: 13 Juil 2007 1:07
Localisation: saint etienne
  • offline

Message » 11 Mar 2012 22:34

Salut Druihle,
comme j'ai pas mal fureté ces derniers temps sur les sites farnell digikey end co j'ai cherché si il existait des commandes coulissantes mais malgré les 36 désignations (commande à glissière, commutateur à glissières, etc.) entrés dans les filtres je n'ai rien trouvé qui se rapproche de ton montage ; pourquoi est-ce que tu n'essaies pas un mail au SAV Marantz ? Après tout tu es propriétaire d'un ampli marantz non ?
:wink:

La configuration dans mon profil


S'il n'aime pas la carotte donne lui du bâton - proverbe DIY, à utiliser à chaque fois qu'on en ressent le besoin.
androuski
Membre HCFR
Membre HCFR
 
Messages: 23256
Inscription Forum: 14 Mar 2007 14:43
Localisation: C'est un trou, mais rempli de pinard, donc ça me va.
  • offline

Message » 11 Mar 2012 23:59

Hello Androuski,

Je crois bien que tu as raison, visiblement ces babioles ont été produites sur cahier des charges spécifique.... Je vais essayer de voir avec le SAV Marantz France :wink:
Merci en tous les cas pour les recherches chez Farnell !
druihle
 
Messages: 868
Inscription Forum: 13 Juil 2007 1:07
Localisation: saint etienne
  • offline

Message » 12 Mar 2012 0:17

Pas de quoi :wink:

La configuration dans mon profil


S'il n'aime pas la carotte donne lui du bâton - proverbe DIY, à utiliser à chaque fois qu'on en ressent le besoin.
androuski
Membre HCFR
Membre HCFR
 
Messages: 23256
Inscription Forum: 14 Mar 2007 14:43
Localisation: C'est un trou, mais rempli de pinard, donc ça me va.
  • offline

Message » 12 Mar 2012 12:30

Proposition de plan B (site Gotronic):
Image
Image

Le cablage n'aurait rien de compliqué.
DrWho90
 
Messages: 26
Inscription Forum: 08 Mar 2012 18:19
Localisation: Franche-Comté
  • offline

Message » 12 Mar 2012 23:42

Bonjour DrWho90,

Merci pour les éléments de réponse. En fait je viens de passer un mail au SAV Marantz et je saurai si la pièce est dispo d'ici 48 heures ainsi que le tarif. En gros, si c'est moins de 30 euros, je fonctionne avec le SAV. Si c'est plus (j'ai trouvé un "truc" identique nommé flexiswitch dans un surplus aux USA je crois mais avec seulement 3 positions et un "ruban" de 30 cm pour 4 euros....) j'opterai pour les pistes que tu me proposes ! :wink:
druihle
 
Messages: 868
Inscription Forum: 13 Juil 2007 1:07
Localisation: saint etienne
  • offline

Message » 22 Mar 2012 11:32

Bon après de nombreux appels + mail à une station technique Marantz (compliqué d'obtenir une réponse chez ces gens là.... 10 jours de délais, la qualité du SAV me paraît peu en rapport avec la bonne image que l'on peut avoir de Marantz) la bestiole n'est plus disponible, c'est bien ma chance !
Alors pour éviter la "dispersion" je vais faire des questions fermées :

- Quel type exact de commutateur puis-je utiliser sachant qu'un budget de 40 euros est envisageable ! Je ne veux pas y revenir, cet ampli modifié, j'y tiens ! (attention les switch d'origine sont donnés pour deux ampères, je ne sais pas si cela a une importance quelconque)
- Quel type de cable ?
- Le fait de trimbaler le signal sur 45 cm peut-il vraiment avoir une incidence sur le son ?
druihle
 
Messages: 868
Inscription Forum: 13 Juil 2007 1:07
Localisation: saint etienne
  • offline

Message » 22 Mar 2012 11:57

Une petite platine à relais est envisageable :

Avantages :
Les signaux ne se baladent pas (la platine relais est implantée tout près)
Un commutateur simple(1 pole) est nécessaire

Inconvénient :
Il faut une alim pour les relais
Philby
 
Messages: 9819
Inscription Forum: 12 Mar 2001 2:00
Localisation: 33
  • offline

Message » 22 Mar 2012 12:14

Druihle,
tes questions sont des questions ouvertes ; tu as mal révisé ton cours d'enquête sociologique :mdr:

La configuration dans mon profil


S'il n'aime pas la carotte donne lui du bâton - proverbe DIY, à utiliser à chaque fois qu'on en ressent le besoin.
androuski
Membre HCFR
Membre HCFR
 
Messages: 23256
Inscription Forum: 14 Mar 2007 14:43
Localisation: C'est un trou, mais rempli de pinard, donc ça me va.
  • offline


Retourner vers Kits & Tweaks et WIY

 
  • Articles en relation
    Dernier message