Personnellement, je ne serais pas surpris que toute l'électronique ainsi que la mécanique ne soient pas d'origine McIntosh. Et McIntosh ne serait pas à son coup d'essai concernant le rebadgeage dans l'audio numérique. D'où l'impossibilité pour le SAV de fournir une nouvelle carte. Reste à découvrir le fabricant d'origine .
Il fut une époque où c'était du Denon/Marantz, car ils appartenaient tous à la même société D&M Holdings .
|
|
Modérateurs: Modération Forum Haute-Fidélité, Le CA de l’Association HCFR • Utilisateurs parcourant ce forum: Google [Bot] et 24 invités
Les Lecteurs CD & SACD
McIntosh: MCD 301 ne reconnait plus les cd
- fredoamigo
- Messages: 4588
- Inscription Forum: 04 Déc 2010 10:21
- Localisation: Aix en Provence
fredoamigo a écrit:Personnellement, je ne serais pas surpris que toute l'électronique ainsi que la mécanique ne soient pas d'origine McIntosh. Et McIntosh ne serait pas à son coup d'essai concernant le rebadgeage dans l'audio numérique. D'où l'impossibilité pour le SAV de fournir une nouvelle carte. Reste à découvrir le fabricant d'origine .
Il fut une époque où c'était du Denon, car ils appartenaient tous deux à la même société .
Effectivement en ouvrant le couvercle supérieur du tiroir, apparait gravé à l'intérieur " DENON ".
Le bloc optique est référencé

Palladio
- Palladio
- Messages: 181
- Inscription Forum: 20 Avr 2024 20:13
Palladio a écrit:fredoamigo a écrit:Personnellement, je ne serais pas surpris que toute l'électronique ainsi que la mécanique ne soient pas d'origine McIntosh. Et McIntosh ne serait pas à son coup d'essai concernant le rebadgeage dans l'audio numérique. D'où l'impossibilité pour le SAV de fournir une nouvelle carte. Reste à découvrir le fabricant d'origine .
Il fut une époque où c'était du Denon, car ils appartenaient tous deux à la même société .
Effectivement en ouvrant le couvercle supérieur du tiroir, apparait gravé à l'intérieur " DENON ".
Le bloc optique est référencé
Palladio
Peut-être pourrais-tu trouver chez Denon quelque chose qui corresponde ? Il reste à savoir ce qu'ils y ont mis à l'intérieur : soit du Denon HDG comme il ne se fait plus, soit du low cost.
Là c'est du Haut de gamme !
https://www.audiosciencereview.com/forum/index.php?threads/denon-dcd-sa1-review-cd-sacd-player.56929/
Mais je pense qu il y a plus de similitudes avec ça

- fredoamigo
- Messages: 4588
- Inscription Forum: 04 Déc 2010 10:21
- Localisation: Aix en Provence
url=https://postimg.cc/njY8LPKr]
[/url]
Merci pour les recherches !, mais là je me sens démuni !
.
Un peu trop complexe pour moi, je ne me vois pas faire des recherches auprès de Denon ...
Surtout que la pièce en panne est la carte d'asservissementet que cette dernière ne fait partie du "package tiroir complet". Cette carte n'est pas "attachée" au tiroir, ce sont des pièces distinctes.
Palladio
[/url]Merci pour les recherches !, mais là je me sens démuni !
Un peu trop complexe pour moi, je ne me vois pas faire des recherches auprès de Denon ...
Surtout que la pièce en panne est la carte d'asservissementet que cette dernière ne fait partie du "package tiroir complet". Cette carte n'est pas "attachée" au tiroir, ce sont des pièces distinctes.
Palladio
- Palladio
- Messages: 181
- Inscription Forum: 20 Avr 2024 20:13
Hélas, il arrive parfois dans la vie qu'il faille se résigner et accepter la perte 
- fredoamigo
- Messages: 4588
- Inscription Forum: 04 Déc 2010 10:21
- Localisation: Aix en Provence
- wuwei
- Messages: 6774
- Inscription Forum: 05 Jan 2006 10:58
Au secours !
- MickeyCam
- Messages: 6511
- Inscription Forum: 30 Oct 2008 23:17
- Localisation: Antibes, Alpes Maritimes
MickeyCam a écrit:Au secours !
Palladio!
- Palladio
- Messages: 181
- Inscription Forum: 20 Avr 2024 20:13
Bonjour,
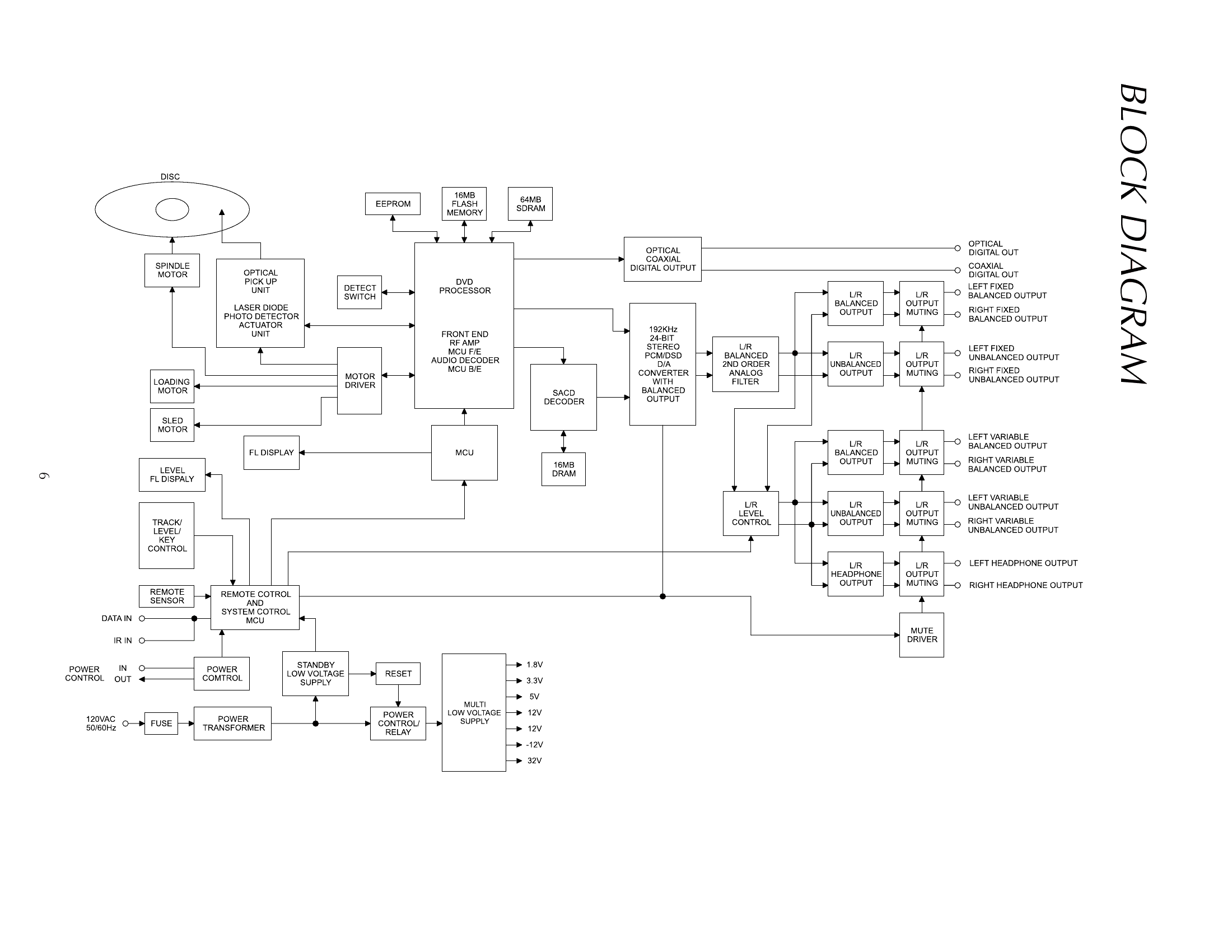
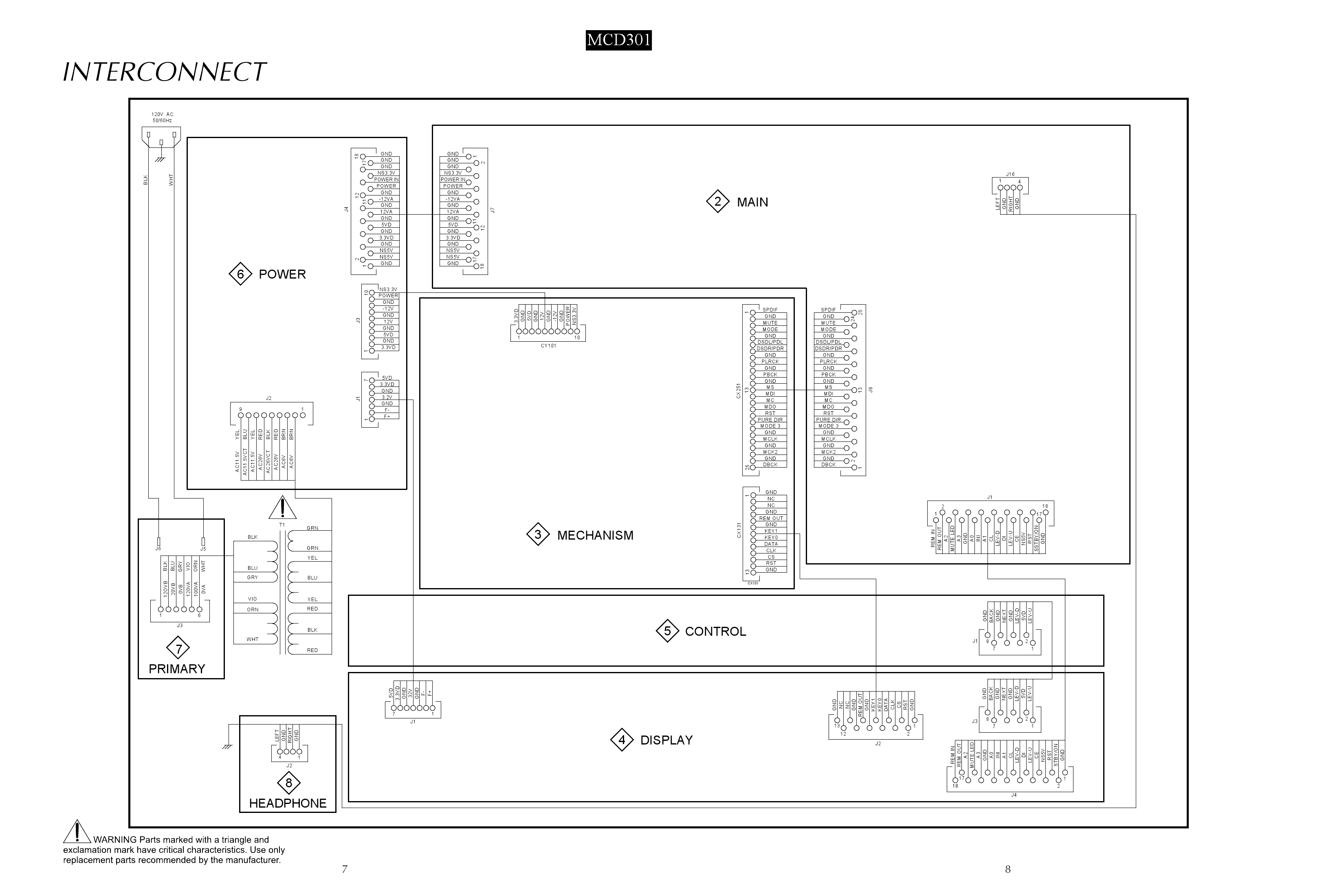
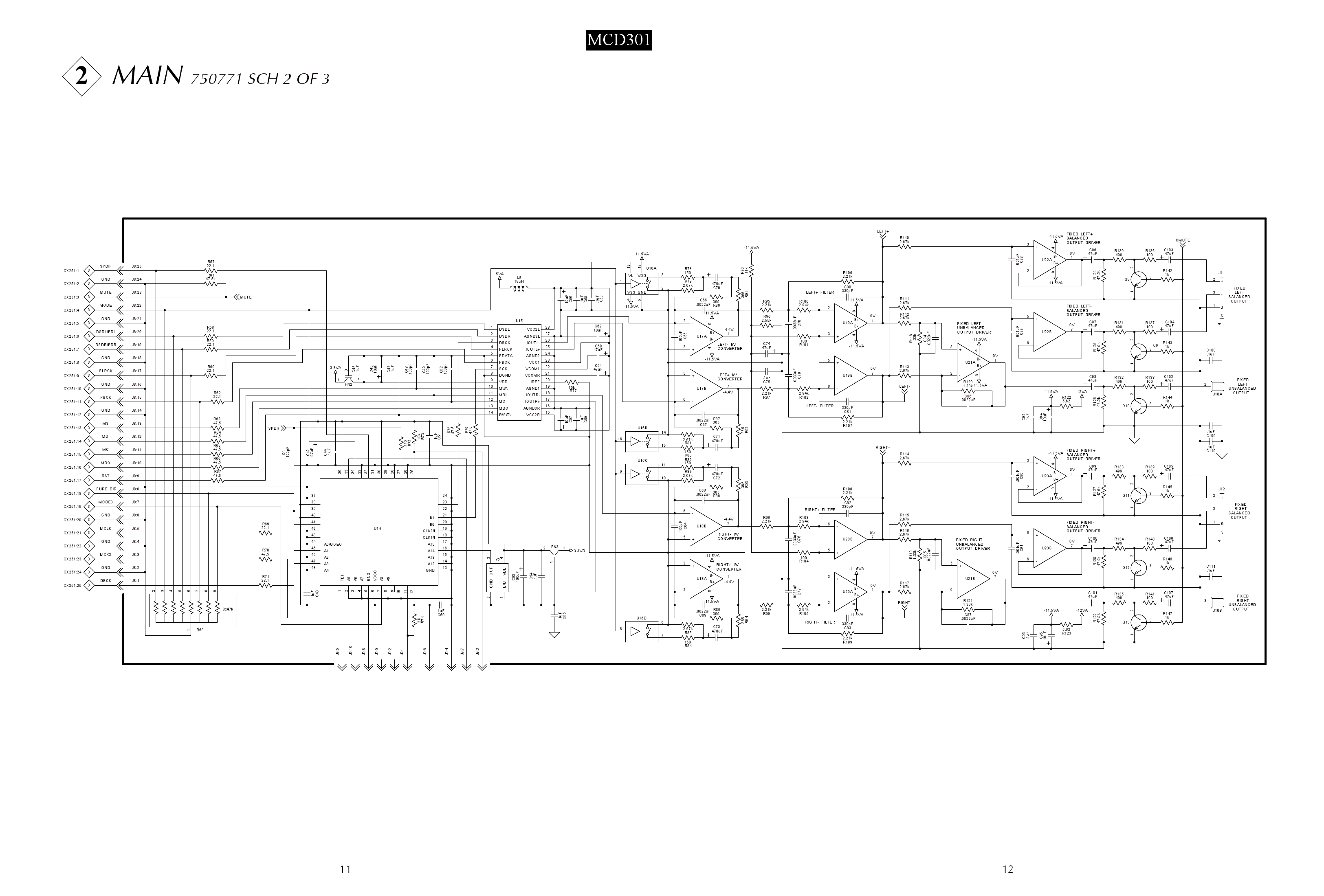
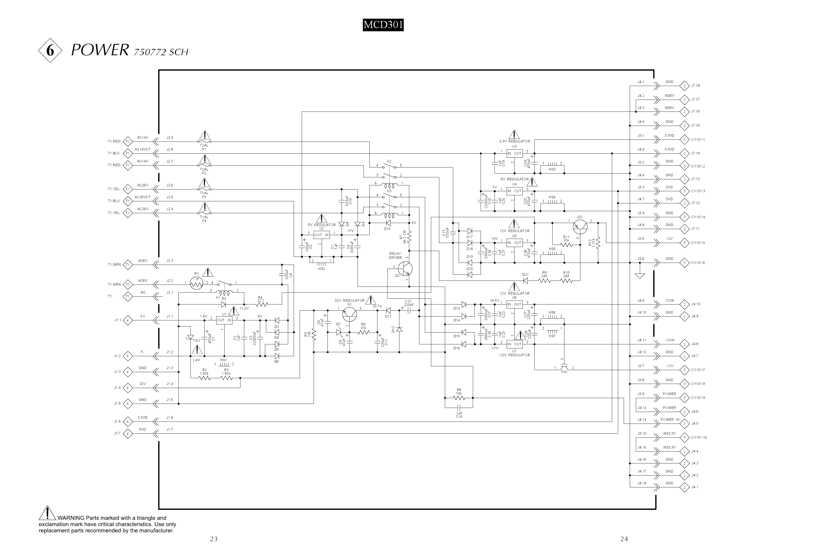
trouvé la doc de l'engin
les schémas sont en .DJVU, je les ai converti en .PNG
il y a le synoptique, les schémas mais aucun détail sur les signaux, aucun oscillogramme, alors même avec ça et l'appareil devant soi, quelqu'un qui ne connais pas à fond cet appareil ne peut pas faire grand chose avec, à part vérifier les alimentations
et le module appelé "mechanism" n'est pas détaillé et n'a pas son schéma, donc probablement pas fait par Mc
voilà quelques extraits de la doc :






cliquer trois fois sur une image pour l'avoir en plein écran
trouvé la doc de l'engin
les schémas sont en .DJVU, je les ai converti en .PNG
il y a le synoptique, les schémas mais aucun détail sur les signaux, aucun oscillogramme, alors même avec ça et l'appareil devant soi, quelqu'un qui ne connais pas à fond cet appareil ne peut pas faire grand chose avec, à part vérifier les alimentations
et le module appelé "mechanism" n'est pas détaillé et n'a pas son schéma, donc probablement pas fait par Mc
voilà quelques extraits de la doc :






cliquer trois fois sur une image pour l'avoir en plein écran
Dernière édition par MickeyCam le 10 Fév 2025 15:46, édité 1 fois.
- MickeyCam
- Messages: 6511
- Inscription Forum: 30 Oct 2008 23:17
- Localisation: Antibes, Alpes Maritimes
- MickeyCam
- Messages: 6511
- Inscription Forum: 30 Oct 2008 23:17
- Localisation: Antibes, Alpes Maritimes
Ah oui !!!!
Un vrai travail de fourmi "romaine"
A part pour jouer ou s'occuper !!!
)
Merci! mais non !...
Palladio
Un vrai travail de fourmi "romaine"
A part pour jouer ou s'occuper !!!
Merci! mais non !...
Palladio
- Palladio
- Messages: 181
- Inscription Forum: 20 Avr 2024 20:13
Salut Palladio
Je n'ai pas lu toutes les pages de ton "aventure" avec ce lecteur CD, mais en fouillant deux minutes sur la toile, j'ai vu un gars qui avait eu un problème qui s'est avéré être un problème électrique externe au lecteur. J'ai vu aussi qu'il y avait des mises à jour du micrologiciel. As-tu demandé s'il y en avait de disponibles ?
https://audiokarma.org/forums/index.php?threads/mcd301-bugging-out.411352/
Je n'ai pas lu toutes les pages de ton "aventure" avec ce lecteur CD, mais en fouillant deux minutes sur la toile, j'ai vu un gars qui avait eu un problème qui s'est avéré être un problème électrique externe au lecteur. J'ai vu aussi qu'il y avait des mises à jour du micrologiciel. As-tu demandé s'il y en avait de disponibles ?
https://audiokarma.org/forums/index.php?threads/mcd301-bugging-out.411352/
- fredoamigo
- Messages: 4588
- Inscription Forum: 04 Déc 2010 10:21
- Localisation: Aix en Provence
fredoamigo a écrit:Salut Palladio
Je n'ai pas lu toutes les pages de ton "aventure" avec ce lecteur CD, mais en fouillant deux minutes sur la toile, j'ai vu un gars qui avait eu un problème qui s'est avéré être un problème électrique externe au lecteur. J'ai vu aussi qu'il y avait des mises à jour du micrologiciel. As-tu demandé s'il y en avait de disponibles ?
https://audiokarma.org/forums/index.php?threads/mcd301-bugging-out.411352/
Merci ! et bonjour,
La panne de mon lecteur est tout de même bien différente de celle de celui de "James" .
Je la rappelle ici car la consultation du fil est un peu rébarbative...:
- 1) pose d'un CD sur le tiroir ouvert.(OPEN s'affiche)
- 2) fermeture du tiroir (CLOSE)
- 3) tiroir refermé, s'affiche alors (READING) pendant 30 secondes. Pendant ces 30 secondes, le CD tourne, le bloc laser fait alors 2 ou 3 petits soubresauts que l'on entend à peine, il faut prêter l'oreille, ( comme s'il venait "buter" et "cherchait" ..)..et arrêt (NO DISC s'affiche).
Concernant une éventuelle MàJ du micro logiciel, MADSYSTEME ne me l'a pas proposée.
Si tel pouvait-être la prpblémaique, ce serait aberrant, car disposaant de l'appareil chez eux, il me semble que rien ne devait leur être plus simple que de la faire. :?
J'ose penser que cette MàJ ne devait pas concerner cette panne !, encore qu'aujourd'hui!, après tout ce que j'ai vu/lu, je serai à peine surpris du contraire ....
Bon je vais positiver et croire .....
Palladio
- Palladio
- Messages: 181
- Inscription Forum: 20 Avr 2024 20:13
Palladio a écrit:MickeyCam a écrit:Au secours !
Palladio!
Sinon tu contacts l’IA car c‘est à la mode…
- wuwei
- Messages: 6774
- Inscription Forum: 05 Jan 2006 10:58
Bonjour à tous,
Voilà l'aventure du MCD 301 s'est teminée ce matin, il fallait bien que cela arrive.
Mon acheteur se fait fort de le réparer, il m'a dit m'en informer lorsque ce sera le cas.
Ce sera l'occasion pour moi de vous tenir informé de la dite réparation?
)
Encore merci,
Palladio
Voilà l'aventure du MCD 301 s'est teminée ce matin, il fallait bien que cela arrive.
Mon acheteur se fait fort de le réparer, il m'a dit m'en informer lorsque ce sera le cas.
Ce sera l'occasion pour moi de vous tenir informé de la dite réparation?
Encore merci,
Palladio
- Palladio
- Messages: 181
- Inscription Forum: 20 Avr 2024 20:13
|
Retourner vers Lecteurs CD & SACD |



