ça concerne bien les cartes, mais pas les cartes à jouer, seulement les cartes ampli.
Tout le monde connaît grâce à tcli la manip d'ESP pour bridger un ampli sans passer par un symétriseur quand on a un source asymétrique : c'est là :
http://www.sound.westhost.com/project20.htm
C'est bête comme chou, c'est beau comme un oeuf au plat tant c'est simple, c'est du DIY.
Bon, l'autre partie de ma démarche est liée à mon besoin de 4 voies et à une certaine lassitude devant mes propres emportements compulsifs qui m'ont fait suivre les CG Diyaudio de VSSA d'abord, puis de First One maintenant... je suis entré dans cette dernière, mais je suis en train de regretter, et j'ai une furieuse envie d'en sortir : il y a deux trois choses qui me déplaisent dans la démarche, et ce n'est plus vraiment du DIY. Moi j'aime bien souder un peu... j'ai aussi envie de revenir à quelque chose de simple, et je songe à utiliser un LM4780 (2xLM3886 dans un même boitier) bridgé. Ainsi configuré, ce chip distord encore moins, et alimenté avec 35v (pour une charge de 8 ohms) ça peut donner juqu'à 140W.
Bon elle est où la question là dedans, hein ?
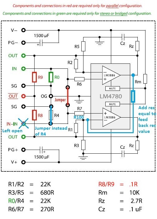
J'aimerais appliquer la manip d'ESP au pcb Audiosector :
http://www.audiosector.com/lm4780.shtml
Pour la câblage, ça donnerait ça :
Alors :
- j'arrête, parce que je vais encore foutre le feu, et faire sortir la fumée des composants ?
- c'est jouable ?
Ces amplis sont hyper compacts, et alimenté avec une SMPS ça tiendrait dans un petit boitier.
Merci d'avance pour vos pt de vue






