Salut à tous.
Ma maman possède une petite chaîne hifi équipée d'un ampli Marantz PM53 qui vient de tomber en panne.
La chaîne sert à améliorer le son de la télé et mettre un peu de musique en fond de temps en temps. Ces trucs là ne l’intéressent pas vraiment mais si je pouvais réparer cet ampli ce serait sympa.
Les symptômes :
- ça fait quelque temps que le bouton de volume est un peu "fou", il tourne tout seul et monte à fond. Si on laisse l'ampli allumé assez longtemps le phénomène est moins présent/sensible. Mais à froid c'est inexploitable. Il était prévu que je regarde ça mais...
- La semaine dernière l'ampli à refuser de s'allumer. Rideau.
J'ai ouvert l'ampli et j'ai commencé par le début. Regarder les composants suspects. On remarque déjà que le fusible d'entrée à grillé. C'est pas bon signe.
Deuxième remarque, une résistance a pris un coup de chaud et celle-ci se trouve près d'un transistor de puissance.
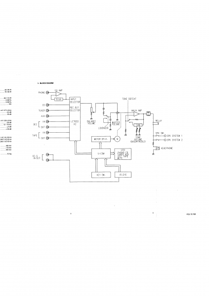
J'ai essayé de chercher (pas longtemps) le service manual de cet ampli mais j'ai pas trouvé en entier. J'ai par contre récupéré le bloc diagram et le schéma de la carte principale.
La résistance qui a brûlé est nommée R768, on la trouve sur la base du 2SA1264. Celui-ci ne semble pas avoir cramé à première vue.
Je ne suis pas sûr que remplacer le fusible et la R ne résolvent le problème mais mes compétences s'arrêtent ici ou presque donc un peu d'aide serait bienvenu.
Merci par avance.
|
|
18 messages • Accèder à une page • 1, 2
|
Modérateurs: Modération Forum Installations, Le CA de l’Association HCFR, Modération Forum DIY • Utilisateurs parcourant ce forum: Aucun utilisateur enregistré et 8 invités
Enceintes en kit, tweaks : modification dans le but d'améliorer une enceinte existante Ex: modif du filtrage... WIY Wire It Yourself - cable le toi-même - est le petit frère de DIY en version plus accessible au débutant.
Dépannage Marantz PM53
- Kro
- Messages: 29463
- Inscription Forum: 12 Jan 2004 19:24
- Localisation: Isère (38)
La résistance ne me semble pas cramée, je pense que c’est plus de l’oxidation+chaleur dans le temps.
Pour le fusible, c’est pas pendant un orage qu’il aurait claqué ? c’est la saison.
Pour le reste, nettoyage contacts des connecteurs et si tu as le courage, vérifier les soudures.
Pour le fusible, c’est pas pendant un orage qu’il aurait claqué ? c’est la saison.
Pour le reste, nettoyage contacts des connecteurs et si tu as le courage, vérifier les soudures.
- thierryvalk
- Messages: 5618
- Inscription Forum: 08 Mai 2012 9:39
- Localisation: Belgique
Il n'y a rien qui ressemble plus à un transistor cramé qu'un transistor pas cramé Cédric, crois en ma courte expérience : en général il sont très forts pour garder leur fumée à l'intérieur et faire cracher leur fumée aux composants qui les entourent 

La configuration dans mon profil
S'il n'aime pas la carotte donne lui du bâton - proverbe DIY, à utiliser à chaque fois qu'on en ressent le besoin.
- androuski
- Membre HCFR

- Messages: 23255
- Inscription Forum: 14 Mar 2007 14:43
- Localisation: C'est un trou, mais rempli de pinard, donc ça me va.
androuski a écrit:Il n'y a rien qui ressemble plus à un transistor cramé qu'un transistor pas cramé Cédric, crois en ma courte expérience : en général il sont très forts pour garder leur fumée à l'intérieur et faire cracher leur fumée aux composants qui les entourent
Quoi... t'as cramé mon ampli?

La configuration dans mon profil
Pourquoi remettre à demain, ce qu'on peut faire après-demain...?!!
- Sagem
- Membre HCFR

- Messages: 15144
- Inscription Forum: 29 Nov 2007 10:55
- Localisation: lyon
Je ne sais pas si mon test est valide mais sans rien démonter : voltmètre position diode les 3 pattes du transistor semblent en court circuit : le voltmètre affiche 0 entre toutes les pattes.
Le résultat est très différent sur l'autre 2SA1264 du deuxième canal : j'ai 1 entre collecteur et émetteur, 635 entre base et collecteur ou entre base et émetteur.
Bref le 2SA1264 semble mort...
Le résultat est très différent sur l'autre 2SA1264 du deuxième canal : j'ai 1 entre collecteur et émetteur, 635 entre base et collecteur ou entre base et émetteur.
Bref le 2SA1264 semble mort...
- Kro
- Messages: 29463
- Inscription Forum: 12 Jan 2004 19:24
- Localisation: Isère (38)
Les bonnes valeurs sont autour de 600mV dans un sens et l'infini en inversant les pointes de touches!Ton 2SA1264 doit être effectivement mort,mais il n'est peut-être pas seul à avoir cramé!Il faudrait vérifier les drivers et les résistances qui vont autour!En gros, à partir de Q701 jusquéà Q763 ou Q702 à Q764 suivant le canal concerné.Tu peux procéder par comparaison avec l'autre canal.Refaire les soudures comme dit plus haut sera nécessaire car une soudure défectueuse peut être à l'origine du cramage!
- Grand_Floyd
- Messages: 1932
- Inscription Forum: 01 Mai 2005 21:28
Grand_Floyd a écrit:Les bonnes valeurs sont autour de 600mV dans un sens et l'infini en inversant les pointes de touches!
C'est ce que j'ai sur l'autre canal donc on doit être bon. Ce transistor est donc a priori mort. J'ai cherché sur ebay. C'est bien du TO3P rassurez moi ?
http://www.ebay.fr/itm/2SA1264N-TRANSISTOR-TO-3P-2SA1264N-/201009502969?pt=UK_BOI_Electrical_Components_Supplies_ET&hash=item2ecd199af9
J'ai bien peur des fake mais bon...comment le savoir ?
Ton 2SA1264 doit être effectivement mort,mais il n'est peut-être pas seul à avoir cramé!Il faudrait vérifier les drivers et les résistances qui vont autour!En gros, à partir de Q701 jusquéà Q763 ou Q702 à Q764 suivant le canal concerné.Tu peux procéder par comparaison avec l'autre canal.Refaire les soudures comme dit plus haut sera nécessaire car une soudure défectueuse peut être à l'origine du cramage!
Je ferai la vérif des transistors effectivement mais il me faut tout démonter, rad&cie, pour avoir accès au dessous du pcb. Le canal concerné ce sont les numéros paires donc Q702 à Q760.
Q762 semble bon et Q764 est notre cher 2SA1264 grillé.
J'ai mesuré la résistance qui semblait cramée : j'ai bien 2.2 à ses bornes, idem que sur sa copine de l'autre canal.
- Kro
- Messages: 29463
- Inscription Forum: 12 Jan 2004 19:24
- Localisation: Isère (38)
Démontage du PCB
Bien vu pour les soudures : Q752 a des soudures qui se détachent...ça devait faire contact vissé sur le rad mais il faudra les refaire, même problème sur le transistor équivalent de l'autre canal Q751. Pas sûr que ce soit la cause ça a du bouger au démontage mais soudures fragiles. Tout le reste est propre et nickel de ce côté.
Sinon après test avec le mode diode du voltmètre Q760 est mort également j'ai un court circuit entre deux branches quelque soit la position des sondes.
C'est un 2SB1353 il semble y en avoir chez le même vendeur ebay.
Bien vu pour les soudures : Q752 a des soudures qui se détachent...ça devait faire contact vissé sur le rad mais il faudra les refaire, même problème sur le transistor équivalent de l'autre canal Q751. Pas sûr que ce soit la cause ça a du bouger au démontage mais soudures fragiles. Tout le reste est propre et nickel de ce côté.
Sinon après test avec le mode diode du voltmètre Q760 est mort également j'ai un court circuit entre deux branches quelque soit la position des sondes.
C'est un 2SB1353 il semble y en avoir chez le même vendeur ebay.
- Kro
- Messages: 29463
- Inscription Forum: 12 Jan 2004 19:24
- Localisation: Isère (38)
Petite question : le fusible est un 6A, puis je mettre un 5A ou ça ira pas ?
Edit j'ai passé commande pour les 2 transistors et les fusibles 6A 250v. Y a plus qu'à attendre. Je monterai tout ça et on verra si ça marche.
Edit 2 : en réfléchissant 6A me paraissait beaucoup sur du 230v...c'est du 1.6...
Edit j'ai passé commande pour les 2 transistors et les fusibles 6A 250v. Y a plus qu'à attendre. Je monterai tout ça et on verra si ça marche.

Edit 2 : en réfléchissant 6A me paraissait beaucoup sur du 230v...c'est du 1.6...

- Kro
- Messages: 29463
- Inscription Forum: 12 Jan 2004 19:24
- Localisation: Isère (38)
Soudures défectueuses refaites et les fautifs sont démontés
Pour la résistance en fait je crois que le noir dessus est de l'encre
, il y a un petit tampon sur le pcb juste à côté qui a du la toucher au passage.
Le hasard fait bien les choses c'est la R qui était entre les deux transistors défectueux
Pour la résistance en fait je crois que le noir dessus est de l'encre
, il y a un petit tampon sur le pcb juste à côté qui a du la toucher au passage.Le hasard fait bien les choses c'est la R qui était entre les deux transistors défectueux

- Kro
- Messages: 29463
- Inscription Forum: 12 Jan 2004 19:24
- Localisation: Isère (38)
Ok,cet ampli a besoin d'une bonne révision!Refait les soudures,y compris celles qui paraissent bonnes car souvent les fils s'oxydent à l'intérieur de la soudure et on ne voit rien!Quand tu parles de problèmes à froid qui s'amenuisent à chaud,ça vient souvent de là!
Tu pourrais aussi changer par sécurité,les quelques petits condos chimiques qui sont peut-être foireux avec l'âge,et ce, sur les 2 canaux!Les résistances peuvent avoir dériver,mais il suffit de vérifier à l'ohmètre si leur valeur est bonne!Si elle est bonne il n'y a rien d'autre à faire!Les potars ajustables R755 et R756 peuvent poser problème au niveau des curseurs!Repères bien leur position avec un coup de marqueur et fait les bouger un peu de part et d'autre,puis remets-les à leur position avec précision!Tu peux aussi si tu en as,leur mettre un coup de bombe contact ainsi que sur tout ce qui a un contact!
Pour les fakes,difficiles de dire ce qu'on reçoit des chinois!Il faut de préférence ,choisir un vendeur qui a le label "Top Fiabilité" et un profil avec de nombreuses ventes positives!Le tien à l'air bon!
Tu pourrais aussi changer par sécurité,les quelques petits condos chimiques qui sont peut-être foireux avec l'âge,et ce, sur les 2 canaux!Les résistances peuvent avoir dériver,mais il suffit de vérifier à l'ohmètre si leur valeur est bonne!Si elle est bonne il n'y a rien d'autre à faire!Les potars ajustables R755 et R756 peuvent poser problème au niveau des curseurs!Repères bien leur position avec un coup de marqueur et fait les bouger un peu de part et d'autre,puis remets-les à leur position avec précision!Tu peux aussi si tu en as,leur mettre un coup de bombe contact ainsi que sur tout ce qui a un contact!
Pour les fakes,difficiles de dire ce qu'on reçoit des chinois!Il faut de préférence ,choisir un vendeur qui a le label "Top Fiabilité" et un profil avec de nombreuses ventes positives!Le tien à l'air bon!
- Grand_Floyd
- Messages: 1932
- Inscription Forum: 01 Mai 2005 21:28
Grand_Floyd a écrit:Ok,cet ampli a besoin d'une bonne révision!Refait les soudures,y compris celles qui paraissent bonnes car souvent les fils s'oxydent à l'intérieur de la soudure et on ne voit rien!Quand tu parles de problèmes à froid qui s'amenuisent à chaud,ça vient souvent de là!
Tu pourrais aussi changer par sécurité,les quelques petits condos chimiques qui sont peut-être foireux avec l'âge,et ce, sur les 2 canaux!Les résistances peuvent avoir dériver,mais il suffit de vérifier à l'ohmètre si leur valeur est bonne!Si elle est bonne il n'y a rien d'autre à faire!Les potars ajustables R755 et R756 peuvent poser problème au niveau des curseurs!Repères bien leur position avec un coup de marqueur et fait les bouger un peu de part et d'autre,puis remets-les à leur position avec précision!Tu peux aussi si tu en as,leur mettre un coup de bombe contact ainsi que sur tout ce qui a un contact!
Pour les fakes,difficiles de dire ce qu'on reçoit des chinois!Il faut de préférence ,choisir un vendeur qui a le label "Top Fiabilité" et un profil avec de nombreuses ventes positives!Le tien à l'air bon!
Les problèmes qui pouvaient changer à chaud ou froid c'était sur le volume avec le moteur du potentiomètre qui n'en faisait qu'à sa tête (toujours en montant). En démontant j'ai noté qu'il était un peu dévissé et ça pouvait être la cause de mauvais contacts.
On verra si j'arrive à réparer l'ampli de puissance pour voir si ce problème persiste car je n'ai rien noté de visu sur la carte.
- Kro
- Messages: 29463
- Inscription Forum: 12 Jan 2004 19:24
- Localisation: Isère (38)
Sagem a écrit:androuski a écrit:Il n'y a rien qui ressemble plus à un transistor cramé qu'un transistor pas cramé Cédric, crois en ma courte expérience : en général il sont très forts pour garder leur fumée à l'intérieur et faire cracher leur fumée aux composants qui les entourent
Quoi... t'as cramé mon ampli?
Meuh non.
Ils sont pas dispos ailleurs que sur la baie ces TR ?
La configuration dans mon profil
S'il n'aime pas la carotte donne lui du bâton - proverbe DIY, à utiliser à chaque fois qu'on en ressent le besoin.
- androuski
- Membre HCFR

- Messages: 23255
- Inscription Forum: 14 Mar 2007 14:43
- Localisation: C'est un trou, mais rempli de pinard, donc ça me va.
Le SA est cramé, soit, mais vérifie bien son copain d'en face dans le push-pull (le SC3181) souvent il subit le même sort, le court circuit doit bien passer par quelque part...
- Philby
- Messages: 9819
- Inscription Forum: 12 Mar 2001 2:00
- Localisation: 33
Philby a écrit:Le SA est cramé, soit, mais vérifie bien son copain d'en face dans le push-pull (le SC3181) souvent il subit le même sort, le court circuit doit bien passer par quelque part...
En tout cas il n'est pas en court circuit l'autre donc bon on verra
- Kro
- Messages: 29463
- Inscription Forum: 12 Jan 2004 19:24
- Localisation: Isère (38)
|
18 messages
• Page 1 sur 2 • 1, 2
Retourner vers Kits & Tweaks et WIY
|


