L'écart permettrait d'avoir une idée de jusqu'où il est inutile de peaufiner à la mesure.
Ou alors, comment régler le sonotone...
Non! Pas taper! Pas l'hopital!
|
|
Modérateurs: Modération Forum Installations, Le CA de l’Association HCFR, Modération Forum DIY • Utilisateurs parcourant ce forum: jeanjean59, qmsqts, tracerbox et 56 invités
L'écart permettrait d'avoir une idée de jusqu'où il est inutile de peaufiner à la mesure.
La configuration dans mon profil

La configuration dans mon profil

Hubert est trop loin de mon secteur malheureusement..qmsqts a écrit:Pour moi c'est surtout l'aspect dimentionnel et une certaine facilité de la restitution par rapport à des enceintes plus classiques, ainsi que beaucoup de choses même à bas niveaux, difficile de revenir en arrière
dommage qu'avec leur taille et poid un comparo ne soit pas envisageable
j'espère que l'on pourra avoir des photos et un petit reportage de la part de Cédric
en tout cas

La configuration dans mon profil

@Rascalito: pourquoi attendre 4 ans pour te concocter l'enceinte de tes rêves?
Agnostic1er a écrit:Merci à tous pour vos encouragements !
@Alex.H: la finition sera sous-couche enduit lisse pour bien planquer tous les défauts et liaisons champs/parois, puis peinture au rouleau petites alvéoles; caissons hauts en blanc, caissons bas en noir. 2 profilés alu à la jonction des caissons. Je ne me suis pas encore attaqué à ce chantier, j'attends des températures plus clémentes.
@kro: content que tu obtiennes des sensations similaires aux miennes avec tes 2-voies Kartesian/18's/Xshape.
@tracerbox: FORCE 1000 (et nous) t'attendons ...![]()
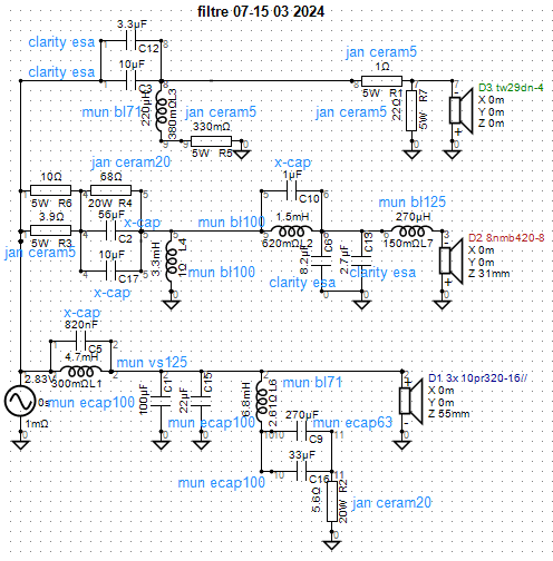
@qmsqts: franchement, je n'ai pas entendu de différences à faible niveau d'écoute vs de bonnes enceintes de faible ou moyen rendement... Parfois, certains sons transitoires paraissent plus rapides/acérés, certains détails sont atténués ou au contraire sont plus audibles, mais ce sont les différences de réponse en fr qui en sont responsables, particulièrement dans le haut-médium/bas-aigu. Je publierai quelques photos, une fois la finition terminée.
@Rascalito: pourquoi attendre 4 ans pour te concocter l'enceinte de tes rêves?
Et, comme dit, ce ne sont certainement pas mes dernières réas (si dieu me prête vie), mais les prochaines seront bien plus petites et avec des hps recyclés de mes anciennes réas.
@Nico1383: le grave de FORCE 1000 est plus naturel que démonstratif. C'est certainement plus lié au traitement/config de ma pièce qu'à la qualité intrinsèque des woofers et/ou de leur charge. Et il ne descend pas sous les 35/40Hz, pour ça j'ai mon caisson sub.
@Gug42: j'aurais tout à fait pu utiliser une comp; cependant, certains tweeters récents comme ces SB (certains Morel aussi) font parfaitement le job jusqu'à 96dB/2.83V. Leur tenue en puissance n'est pas un problème en écoute hifi.
La configuration dans mon profil

Sagem a écrit:Et moi que dalle... je m'en vais comme un prince!
La configuration dans mon profil

|
|