il fait quelle valeur le condo du tweeter ?
d'après les FT constructeurs:
le FT17H à 2khz a 85db
le SD28 à 2khz a 96db
ton tweeter n'est pas trop présent ?
|
|
62 messages • Accèder à une page • 1, 2, 3, 4, 5
|
Modérateurs: Modération Forum Installations, Le CA de l’Association HCFR, Modération Forum DIY • Utilisateurs parcourant ce forum: Dudug, neo888, Tonipe et 42 invités
Les enceintes ( hors caissons qui ont un forum à part )
Enceinte Studio 3
La configuration dans mon profil
Mobile Cowon M2 + Sony WH1000XM3 + HD25 et SoundMagic E10.Sennheiser HD540-HD800
Cd6004 + Dac Teac UD501 + PM64mk2 + Enceinte DIY HD33S66+SBA SB17NAC35+DX25 Vifa
Cd6004 + Rotel RA960BX+710 Onyx-PC avec foobar/box android/Kodi tab Kore vers Dac Teac UD501
- tracerbox
- Membre HCFR

- Messages: 2248
- Inscription Forum: 21 Mar 2007 10:59
- Localisation: Seine et Marne
tracerbox a écrit:sinon il y a une solution:
tu t'occupes de mes travaux à la maison
je m'occupe de tes enceintes
alors la je ne connais pas la nature des travaux mais je suis bien plus doué la dedans

- Davsevelyninmel
- Messages: 314
- Inscription Forum: 10 Déc 2017 21:43
- Localisation: Basse normandie 61
tracerbox a écrit:il fait quelle valeur le condo du tweeter ?
d'après les FT constructeurs:
le FT17H à 2khz a 85db
le SD28 à 2khz a 96db
ton tweeter n'est pas trop présent ?
je vais redemonter la boomer le reparateur a marque sur les composants leurs valeurs !!!
- Davsevelyninmel
- Messages: 314
- Inscription Forum: 10 Déc 2017 21:43
- Localisation: Basse normandie 61
pour la presence cela n'est pas si flagrant a vrai dire je trouvais meme que les enceintes etaient plutot equilibrés 

- Davsevelyninmel
- Messages: 314
- Inscription Forum: 10 Déc 2017 21:43
- Localisation: Basse normandie 61
pour la présence cela n'est pas si flagrant a vrai dire je trouvais même que les enceintes étaient plutôt équilibrés
alors tout va bien !
La configuration dans mon profil
Mobile Cowon M2 + Sony WH1000XM3 + HD25 et SoundMagic E10.Sennheiser HD540-HD800
Cd6004 + Dac Teac UD501 + PM64mk2 + Enceinte DIY HD33S66+SBA SB17NAC35+DX25 Vifa
Cd6004 + Rotel RA960BX+710 Onyx-PC avec foobar/box android/Kodi tab Kore vers Dac Teac UD501
- tracerbox
- Membre HCFR

- Messages: 2248
- Inscription Forum: 21 Mar 2007 10:59
- Localisation: Seine et Marne

en tout transparence entre le shema du filtre et la photo je ne vois meme pas a quoi cela correspond
ou sont les composant du tweeter, medium et grave- Davsevelyninmel
- Messages: 314
- Inscription Forum: 10 Déc 2017 21:43
- Localisation: Basse normandie 61
le fait que je trouve le grave etouffe est surement du au tweeter un peu trop present il va vraiment falloir que je me debrouille a rentrer les 3 HP et voir les courbes avec egalement les composant deja installé !!! 
- Davsevelyninmel
- Messages: 314
- Inscription Forum: 10 Déc 2017 21:43
- Localisation: Basse normandie 61
si je comprend bien le tweeter a une frequence de coupure conseillé a 2500 Hz et mon filtre quand a lui n'a pas de resistance de coupure c'est ca ?
- Davsevelyninmel
- Messages: 314
- Inscription Forum: 10 Déc 2017 21:43
- Localisation: Basse normandie 61
le manque de résistance pour compenser le changement de tweeter joue sur le niveau de celui-ci, donc il joue trop fort mais il est bien filtré/coupé.
enfin mal filtré puisque le filtre n'est pas calculé pour lui mais pour un fostex dont les caractéristiques sont bien différentes.
Disons qu'il ne risque probablement rien mais que le résultat est à des km d'être optimal comparé à un filtre calculé sur base des mesures nécessaires.
Si tu ne te sens pas de te lancer dans la mesure ou en attendant de t'y mettre pourquoi ne pas racheter une paire de FT17H pour rester dans les clous du schéma d'origine?
(Très très belles ces enceintes en tous cas grâce à tes bons soins)
enfin mal filtré puisque le filtre n'est pas calculé pour lui mais pour un fostex dont les caractéristiques sont bien différentes.
Disons qu'il ne risque probablement rien mais que le résultat est à des km d'être optimal comparé à un filtre calculé sur base des mesures nécessaires.
Si tu ne te sens pas de te lancer dans la mesure ou en attendant de t'y mettre pourquoi ne pas racheter une paire de FT17H pour rester dans les clous du schéma d'origine?
(Très très belles ces enceintes en tous cas grâce à tes bons soins)
- Noricha
- Messages: 792
- Inscription Forum: 03 Jan 2020 23:12
Noricha a écrit:le manque de résistance pour compenser le changement de tweeter joue sur le niveau de celui-ci, donc il joue trop fort mais il est bien filtré/coupé.
enfin mal filtré puisque le filtre n'est pas calculé pour lui mais pour un fostex dont les caractéristiques sont bien différentes.
Disons qu'il ne risque probablement rien mais que le résultat est à des km d'être optimal comparé à un filtre calculé sur base des mesures nécessaires.
Si tu ne te sens pas de te lancer dans la mesure ou en attendant de t'y mettre pourquoi ne pas racheter une paire de FT17H pour rester dans les clous du schéma d'origine?
(Très très belles ces enceintes en tous cas grâce à tes bons soins)
merci du retour l'achat du fostex peu etre une eventualité mais je suis de nature a comprendre les choses donc je vais essayer d'adapter mon filtre a l'Athom tout en le modifiant malheureusement je vais faire le travail a l'envers ce qui dans ma profession me fait
apres cela se joue sur le tweeter J'ai deja fait enlever un variateur pour le medium que je trouvais inutile et cela a "simplifier" le schema va falloir deja que je regroupe ou sont les resistances et les differents composant de chaques HP afin de comprendre ce filtre

- Davsevelyninmel
- Messages: 314
- Inscription Forum: 10 Déc 2017 21:43
- Localisation: Basse normandie 61
Dans le programme Vituix j'ai reussi a trouvé l'audax Pr330 et le Pr170 par contre meme en voulant integrer les caracteristiques du fabriquant de l'athom il me manque des mesures y a t il un site ou l'on peu trouver des fichier de frquence et d'impedance ?
D'autre part alors meme si le matos est sommaire j'ai un micro de mesure fourni avec un ampli HC Denon y a t il moyen de faire quelque chose avec cela pour des mesures si oui comment puis je faire, oui je pars de très loin
D'autre part alors meme si le matos est sommaire j'ai un micro de mesure fourni avec un ampli HC Denon y a t il moyen de faire quelque chose avec cela pour des mesures si oui comment puis je faire, oui je pars de très loin

- Davsevelyninmel
- Messages: 314
- Inscription Forum: 10 Déc 2017 21:43
- Localisation: Basse normandie 61
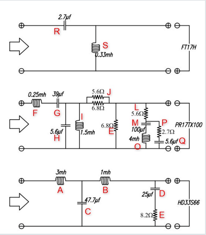
Noricha a raison la meilleure solution est de trouver des FT17H adapté a ton filtre.
pour la compréhension du schéma je t'ai fait cela:
il manque donc "S" sur ton filtre mais ça doit être voulu.
"E" ce sont les les 2 x 15ohm en // qui font 7.5. c'est bon.
pour la compréhension du schéma je t'ai fait cela:
il manque donc "S" sur ton filtre mais ça doit être voulu.
"E" ce sont les les 2 x 15ohm en // qui font 7.5. c'est bon.
La configuration dans mon profil
Mobile Cowon M2 + Sony WH1000XM3 + HD25 et SoundMagic E10.Sennheiser HD540-HD800
Cd6004 + Dac Teac UD501 + PM64mk2 + Enceinte DIY HD33S66+SBA SB17NAC35+DX25 Vifa
Cd6004 + Rotel RA960BX+710 Onyx-PC avec foobar/box android/Kodi tab Kore vers Dac Teac UD501
- tracerbox
- Membre HCFR

- Messages: 2248
- Inscription Forum: 21 Mar 2007 10:59
- Localisation: Seine et Marne
la vue ci-dessous montre la courbe de ton PR170M0 a droite et le médium qui à l'origine sur cette enceinte.
le 600hz est 5db plus haut sur ton médium que sur celui d'origine (PR170TPX100)
la Fs est bien différente entre les 2 HP ( 120 vs 220) ce n'est pas vraiment les HP.
le 600hz est 5db plus haut sur ton médium que sur celui d'origine (PR170TPX100)
la Fs est bien différente entre les 2 HP ( 120 vs 220) ce n'est pas vraiment les HP.
La configuration dans mon profil
Mobile Cowon M2 + Sony WH1000XM3 + HD25 et SoundMagic E10.Sennheiser HD540-HD800
Cd6004 + Dac Teac UD501 + PM64mk2 + Enceinte DIY HD33S66+SBA SB17NAC35+DX25 Vifa
Cd6004 + Rotel RA960BX+710 Onyx-PC avec foobar/box android/Kodi tab Kore vers Dac Teac UD501
- tracerbox
- Membre HCFR

- Messages: 2248
- Inscription Forum: 21 Mar 2007 10:59
- Localisation: Seine et Marne
merci pour l'aide j'y vois beaucoup plus claire dans le schema c'est exactement ce qu'il me fallait
pour la courbe j'ai compare et bien vu les differences bon si je resume le filtre ne correspond pas aux HP
j'ai tous les composants du kit mais pas les bons HP 
Alors la question est si je me sert de Vituix pour monter un filtre avec les HP que j'ai deja est ce quelque chose de faisable pour un novice ou bien trop compliqué
apres n'ayant aucune base en electrotechnique je pense etre tres vite limité 
pour la courbe j'ai compare et bien vu les differences bon si je resume le filtre ne correspond pas aux HP
j'ai tous les composants du kit mais pas les bons HP 
Alors la question est si je me sert de Vituix pour monter un filtre avec les HP que j'ai deja est ce quelque chose de faisable pour un novice ou bien trop compliqué
apres n'ayant aucune base en electrotechnique je pense etre tres vite limité 
- Davsevelyninmel
- Messages: 314
- Inscription Forum: 10 Déc 2017 21:43
- Localisation: Basse normandie 61
bon j'ai essaye tan bien que mal sur le woofer mais il se passe pas grand chose heureusement que ce n'est que sur le logiciel je pense que je serai capable de créer une combustion instantanée


- Davsevelyninmel
- Messages: 314
- Inscription Forum: 10 Déc 2017 21:43
- Localisation: Basse normandie 61
|
62 messages
• Page 3 sur 5 • 1, 2, 3, 4, 5
|


